12-10-2023
Резервуары горизонтальные стальные двустенные
Наша компания ООО «Западно-Уральский завод Металлических Изделий» в короткий срок и на выгодных условиях реализует любой ваш проект на территории Сыктывкара и Республики Коми. Штат высококвалифицированных специалистов и наличие современного оборудования дает нам возможность работать одновременно в разных направлениях. Так, к числу производимых нами конструкций относятся РГСД – горизонтальные стальные двустенные резервуары.
Производимые нами РГСД отвечают актуальным нормам безопасности. Также в наличии присутствует вся разрешительная документация, с которой вы можете ознакомиться при желании. Чтобы оформить заказ, воспользуйтесь контактной информацией на нашем сайте, и сотрудник завода проконсультирует вас по стоимости и срокам выполнения работ. Помимо этого мы производим резервуары горизонтальные стальные одностенные.
Стоимость резервуаров горизонтальных стальных двустенных в Сыктывкаре:
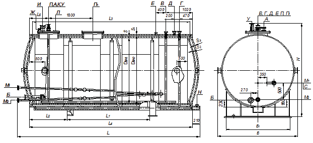
Фото изготовленных нашим заводом резервуаров горизонтальных стальных двустенных в Сыктывкаре:
Чем отличаются РГСД?
Особенностью двустенных резервуаров, как следует из названия, является наличие пустого пространства между стенками. Такие сосуды используются для хранения и перевозки разного рода жидкостей: от нефтепродуктов до различных кислот, масел, воды.В зависимости от назначения РГСД могут быть наземными и подземными, а также идти в комплекте с дополнительным оборудованием в виде всевозможных предохранителей, измерительных приборов, лестниц и проч.Минимальное расстояние между стенками ёмкости составляет 4 мм. Для повышения безопасности эксплуатации резервуар может иметь различное покрытие, состав которого определяется условиями использования сосуда. С этой же целью в межстенное пространство закачиваются специальная жидкость, азот или другие вещества. Они становятся дополнительным препятствием к возникновению утечки, пожара или других опасных ситуаций на предприятии.Производимые нами РГСД отвечают актуальным нормам безопасности. Также в наличии присутствует вся разрешительная документация, с которой вы можете ознакомиться при желании. Чтобы оформить заказ, воспользуйтесь контактной информацией на нашем сайте, и сотрудник завода проконсультирует вас по стоимости и срокам выполнения работ. Помимо этого мы производим резервуары горизонтальные стальные одностенные.
Мы ждем вас!
Заказывая изготовление металлических конструкций в ООО «ЗУЗМИ-Сыктывкар», вы сотрудничаете напрямую с производителем, что повышает удобство коммуникации и снижает сроки доставки товара. Мы предоставляем гарантию на каждое наше изделие, а также готовы помочь вам с установкой приобретенных конструкций и проконсультировать по любым интересующим вопросам.Стоимость резервуаров горизонтальных стальных двустенных в Сыктывкаре:
Фото изготовленных нашим заводом резервуаров горизонтальных стальных двустенных в Сыктывкаре: