12-10-2023
ГОСТ 16127-78. Подвески стальных трубопроводов
Наша компания ООО «ЗУЗМИ-Сыктывкар» занимается производством широкого ассортимента различных изделий из металла и стали. В их число входят и подвески стальных трубопроводов. Специалисты нашей компании осуществляют монтаж готовых конструкций в Сыктывкаре и Республике Коми с доставкой до объекта.
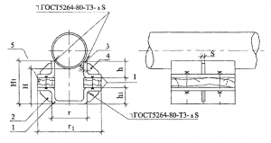
Подвески стальных трубопроводов согласно ГОСТ 16127-78 - это разновидность специализированных изделий, которые необходимы при прокладке труб, как промышленных, так и бытовых. Данная конструкция предназначена для закрепления стальных трубопроводов различных диаметров. Помимо удержания трубопровода в проектном положении, подвески также служат для поглощения внешних нагрузок и защиты трубы от механических повреждений.
Согласно ГОСТу 1627-78 подвески трубопроводов разделяют на следующие типы:
- С одной тягой, для регулировки которой используют гайку или талреп;
- С двумя тягами, которые регулируются различными способами.
В зависимости от внешних условий, в которых работает трубопровод, и требований к подвеске специалисты выбирают какой тип подходит в каждом конкретном случае. Однако, независимо от типа подвески трубопровода, к ним предъявляются достаточно жесткие требования по соответствию их необходимым стандартам, ведь от качества изготовления каждого отдельного элемента зависит общая надежность трубопровода. Для изготовления стальных подвесок трубопроводов используют высококачественную сталь. Детали имеют прочное сварное соединение, а сверху всю конструкцию покрывают антикоррозионным покрытием. Вас также могут заинтересовать скользящие, катковые, шариковые и неподвижные опоры трубопроводов.
Стоимость подвесок стальных трубопроводов в Сыктывкаре:
Фото изготовленных нашим заводом подвесок стальных трубопроводов в Сыктывкаре:
Особенности конструкции
Согласно ГОСТу 1627-78 подвески трубопроводов разделяют на следующие типы:
- С одной тягой, для регулировки которой используют гайку или талреп;
- С двумя тягами, которые регулируются различными способами.
В зависимости от внешних условий, в которых работает трубопровод, и требований к подвеске специалисты выбирают какой тип подходит в каждом конкретном случае. Однако, независимо от типа подвески трубопровода, к ним предъявляются достаточно жесткие требования по соответствию их необходимым стандартам, ведь от качества изготовления каждого отдельного элемента зависит общая надежность трубопровода. Для изготовления стальных подвесок трубопроводов используют высококачественную сталь. Детали имеют прочное сварное соединение, а сверху всю конструкцию покрывают антикоррозионным покрытием. Вас также могут заинтересовать скользящие, катковые, шариковые и неподвижные опоры трубопроводов.
Услуги компании
Компания ООО "Западно-Уральский завод Металлических Изделий" предлагает своим клиентам широкий спектр услуг по производству подвесок стальных трубопроводов. Высокий уровень контроля производственного процесса позволяет производить продукцию в соответствии с мировыми и российскими стандартами. Также возможно изготовление продукции из металла и стали по индивидуальным заказам в любых оговоренных объемах. Для осуществления заказа или закупки оставьте заявку на нашем сайте, и наши специалисты ответят вам на все возникшие вопросыСтоимость подвесок стальных трубопроводов в Сыктывкаре:
Фото изготовленных нашим заводом подвесок стальных трубопроводов в Сыктывкаре: